
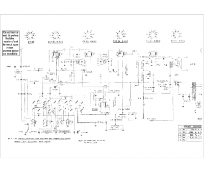
Marque :
Ducretet
Modèle :
VDM 58
Type appareil :
récepteur à tubes
Année :
1957
Pays d'origine :
France
