
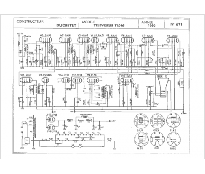
Marque :
Ducretet
Modèle :
TL 046 (TV)
Type appareil :
récepteur à tubes
Année :
1950
Pays d'origine :
France
