
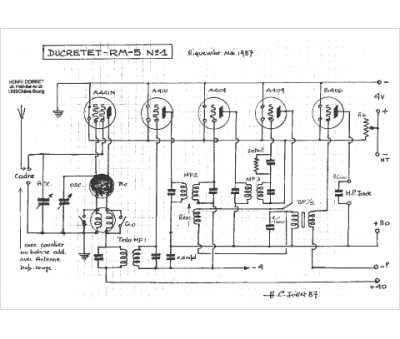
Marque :
Ducretet
Modèle :
RM 5 N°1
Type appareil :
récepteur à tubes
Pays d'origine :
France
