
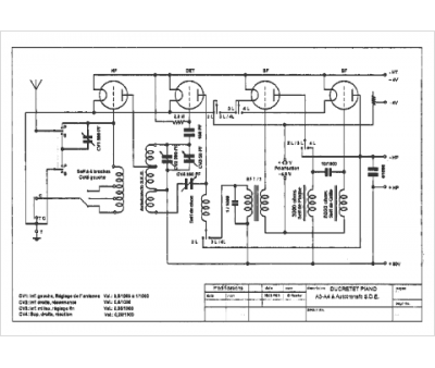
Marque :
Ducretet
Modèle :
Piano A3-A4
Type appareil :
récepteur à tubes
Pays d'origine :
France
