
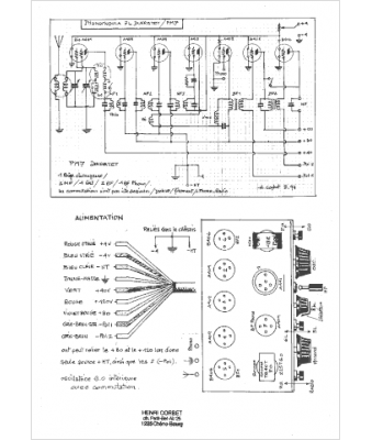
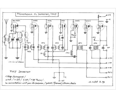
Marque :
Ducretet
Modèle :
Phonomodula 7l
Type appareil :
récepteur à tubes
Année :
1929
Pays d'origine :
France
