
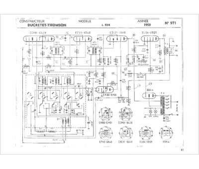
Marque :
Ducretet
Modèle :
L934
Type appareil :
récepteur à tubes
Année :
1959
Pays d'origine :
France
