
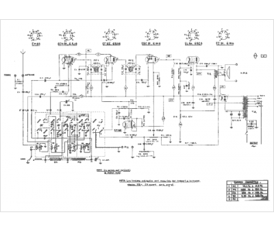
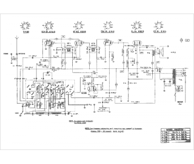
Marque :
															Ducretet																																															
														Modèle :
																L835																																	
															Type appareil :
																récepteur à tubes
															Année :
																1957
															Pays d'origine :
																France
															




