
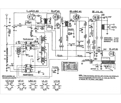
Marque :
Ducretet
Modèle :
L724
Type appareil :
récepteur à tubes
Année :
1956
Pays d'origine :
France
