
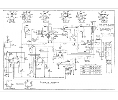
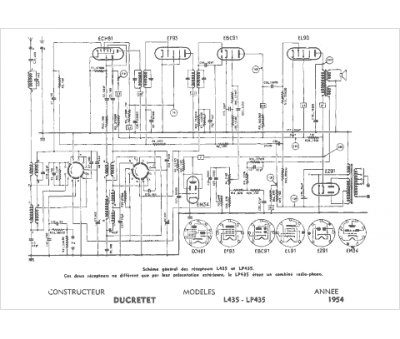
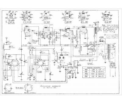
Marque :
Ducretet
Modèle :
L435
Type appareil :
récepteur à tubes
Année :
1954
Pays d'origine :
France
