
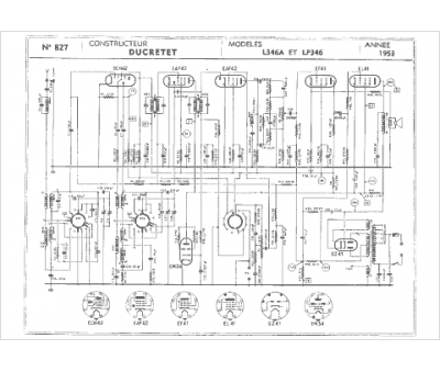
Marque :
Ducretet
Modèle :
L346 A
Type appareil :
récepteur à tubes
Année :
1953
Pays d'origine :
France
