
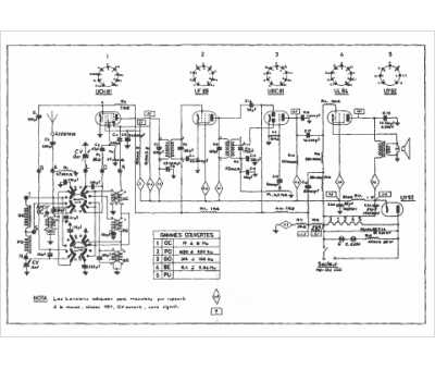
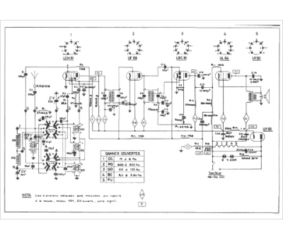
Marque :
Ducretet
Modèle :
L2923
Type appareil :
récepteur à tubes
Année :
1951
Pays d'origine :
France
