
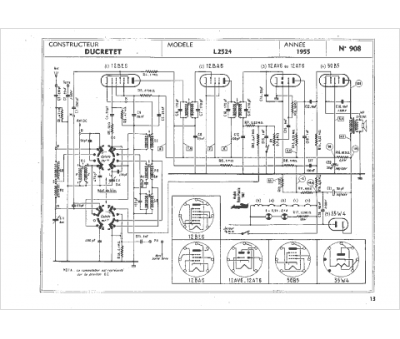
Marque :
Ducretet
Modèle :
L2524
Type appareil :
récepteur à tubes
Année :
1955
Pays d'origine :
France
