
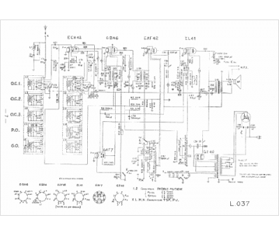
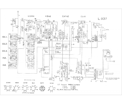
Marque :
Ducretet
Modèle :
L037
Type appareil :
récepteur à tubes
Année :
1960
Pays d'origine :
France
