Retour à l'accueil
 
 
Recherche de schémas
Collection CD/DVD

Service schémathèque 

5 documents correspondent à votre recherche.

Caractéristiques de l'appareil
Marque :
Ducretet
Modèle :
L026 Z
Type appareil :
récepteur à tubes
Année :
1952
Pays d'origine :
France
5 documents correspondant à cet appareil
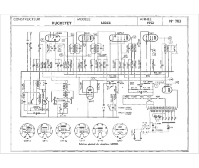
Schéma Ducretet L026 Z
2 pages.
Document présent dans Rétro-schémas 2 Acheter
En ligne, disponible en téléchargement Télécharger
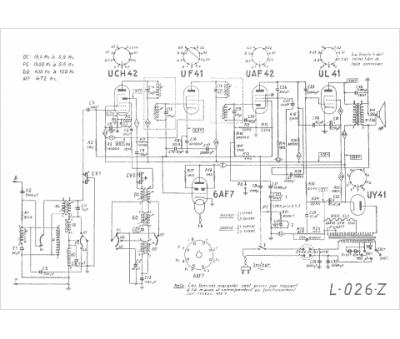
Schéma Ducretet L026 Z
1 page
Document présent dans Rétro-schémas 2 Acheter
En ligne, disponible en téléchargement Télécharger
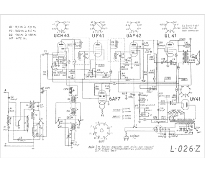
Schéma Ducretet L026 Z
2 pages.
Document présent dans Rétro-schémas 2 Acheter
En ligne, disponible en téléchargement Télécharger
Manuel Ducretet L 026 z
8 pages.
Document présent dans Rétro-docs 3 Acheter
En ligne, disponible en téléchargement Télécharger
no photo
Schéma Ducretet L 026 Z
Langue  : français
8 pages.
Doc complémentaire s. demande Demander
Vous pouvez regrouper les téléchargements Tout télécharger
La consultation de cet espace schémathèque est en accès libre.