
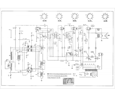
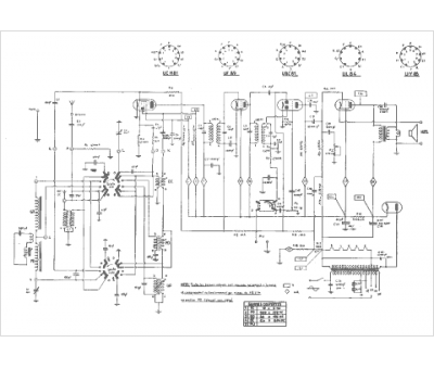
Marque :
Ducretet
Modèle :
L 924
Type appareil :
récepteur à tubes
Année :
1958
Pays d'origine :
France
