
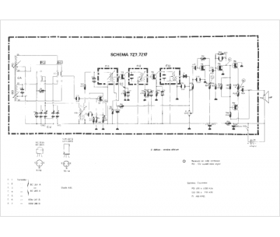
Marque :
Ducretet
Modèle :
DT 180
Type appareil :
récepteur à transistors
Pays d'origine :
France
