
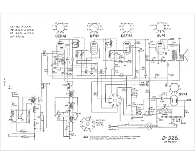
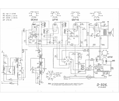
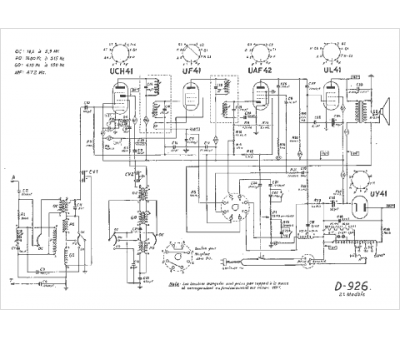
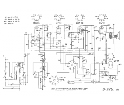
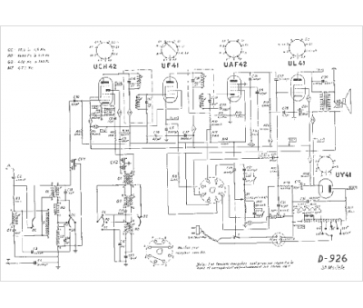
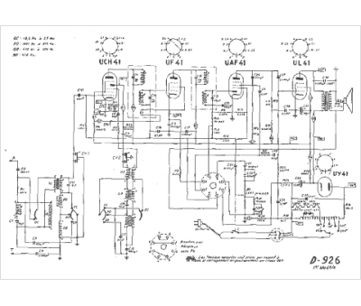
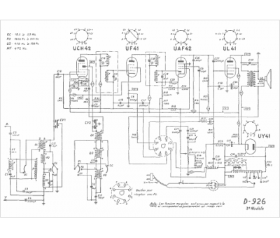
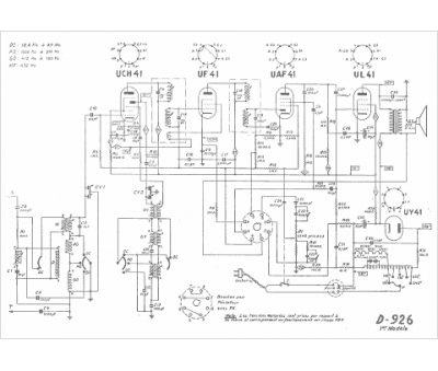
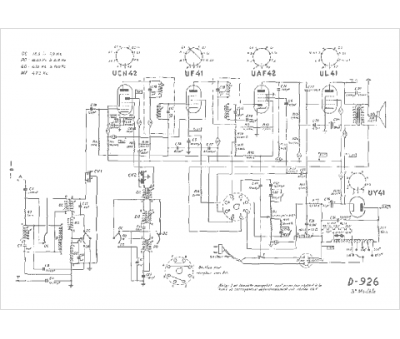
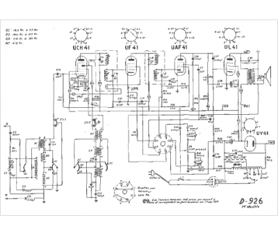
Marque :
Ducretet
Modèle :
D926
Type appareil :
récepteur à tubes
Pays d'origine :
France
