
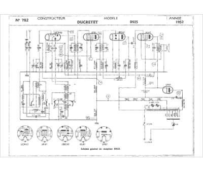
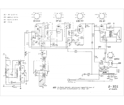
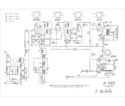
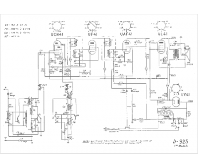
Marque :
Ducretet
Modèle :
D925
Type appareil :
récepteur à tubes
Année :
1952
Pays d'origine :
France
