
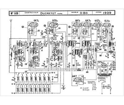
Marque :
Ducretet
Modèle :
D80
Type appareil :
récepteur à tubes
Année :
1939
Pays d'origine :
France
