
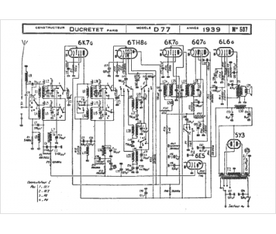
Marque :
Ducretet
Modèle :
D77 colonial
Type appareil :
récepteur à tubes
Année :
1939
Pays d'origine :
France
