
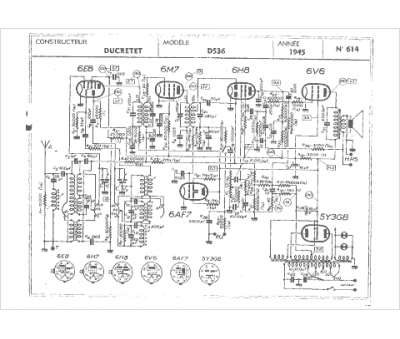
Marque :
Ducretet
Modèle :
D536
Type appareil :
récepteur à tubes
Année :
1945
Pays d'origine :
France
