
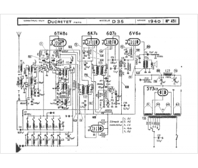
Marque :
Ducretet
Modèle :
D35
Type appareil :
récepteur à tubes
Année :
1940
Pays d'origine :
France
