
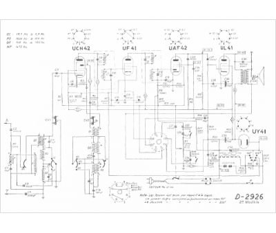
Marque :
Ducretet
Modèle :
D2926
Type appareil :
récepteur à tubes
Année :
1949
Pays d'origine :
France
