
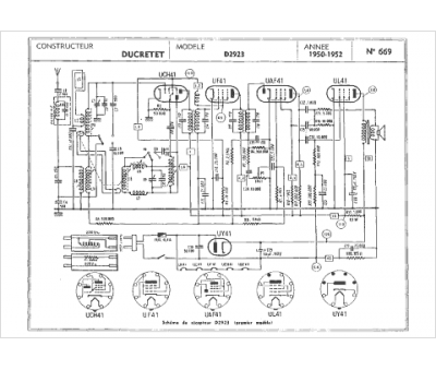
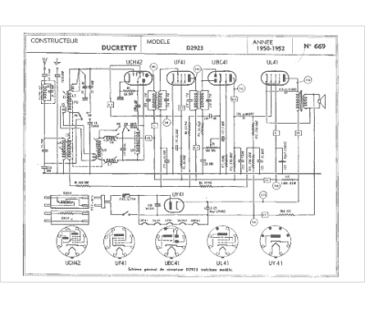
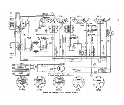
Marque :
Ducretet
Modèle :
D2923
Type appareil :
récepteur à tubes
Année :
1950
Pays d'origine :
France
