
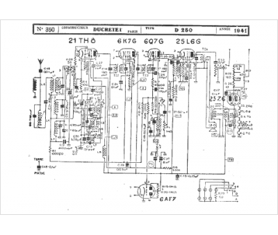
Marque :
Ducretet
Modèle :
D250
Type appareil :
récepteur à tubes
Année :
1941
Pays d'origine :
France
