
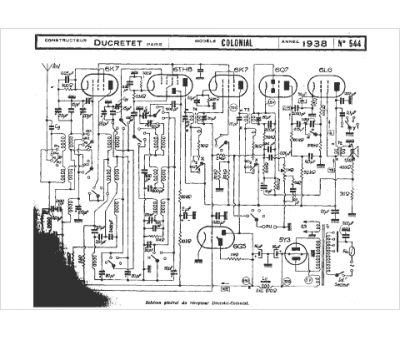
Marque :
Ducretet
Modèle :
Colonial
Type appareil :
récepteur à tubes
Année :
1938
Pays d'origine :
France
