
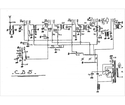
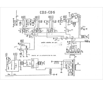
Marque :
Ducretet
Modèle :
CD 6
Type appareil :
récepteur à tubes
Pays d'origine :
France
