
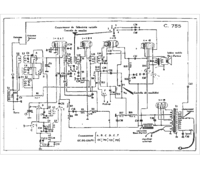
Marque :
Ducretet
Modèle :
C755
Type appareil :
récepteur à tubes
Pays d'origine :
France
