
Marque :
Ducretet
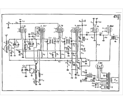
Modèle :
C75 B
Type appareil :
récepteur à tubes
Pays d'origine :
France
