
Marque :
Ducretet
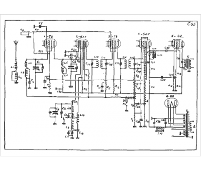
Modèle :
C65
Type appareil :
récepteur à tubes
Pays d'origine :
France
