
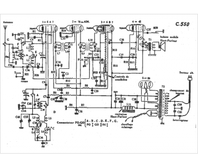
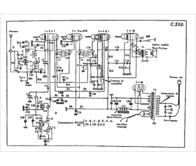
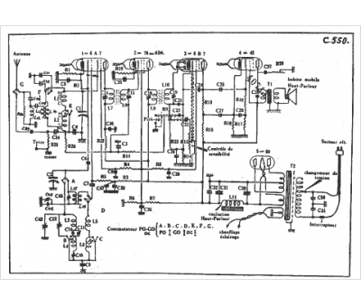
Marque :
Ducretet
Modèle :
C550
Type appareil :
récepteur à tubes
Année :
1935
Pays d'origine :
France
