
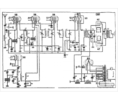
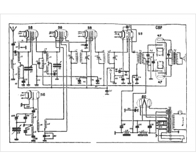
Marque :
Ducretet
Modèle :
C 8 P
Type appareil :
récepteur à tubes
Année :
1932
Pays d'origine :
France
