
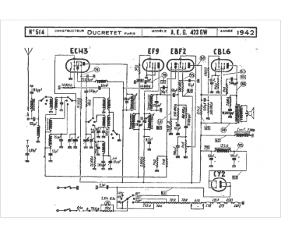
Marque :
Ducretet
Modèle :
AEG 423 gw
Type appareil :
récepteur à tubes
Année :
1942
Pays d'origine :
France
