
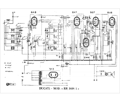
Marque :
Ducati
Modèle :
RR 3419-1
Type appareil :
récepteur à tubes
Pays d'origine :
Italie
