
Marque :
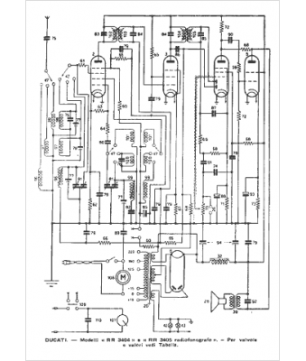
Ducati
Modèle :
RR 3405
Type appareil :
récepteur à tubes
Pays d'origine :
Italie
