
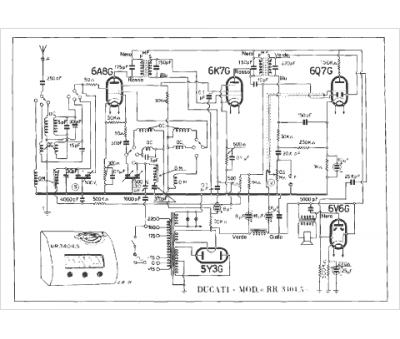
Marque :
Ducati
Modèle :
RR 3404-5
Type appareil :
récepteur à tubes
Pays d'origine :
Italie
