
Marque :
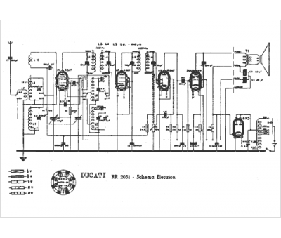
Ducati
Modèle :
RR 2051
Type appareil :
récepteur à tubes
Pays d'origine :
Italie
