
Marque :
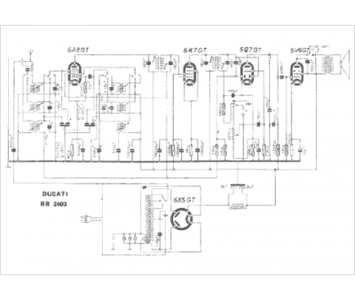
Ducati
Modèle :
2403
Type appareil :
récepteur à tubes
Pays d'origine :
Italie
