
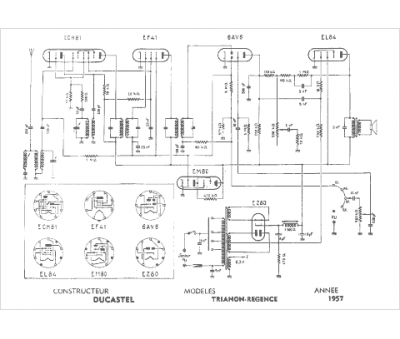
Marque :
Ducastel
Modèle :
Trianon-régence
Type appareil :
récepteur à tubes
Année :
1957
