
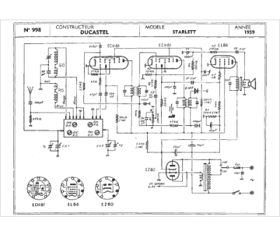
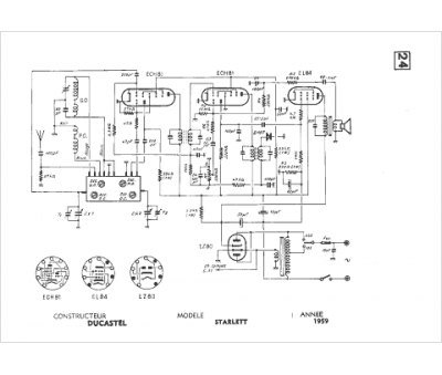
Marque :
Ducastel
Modèle :
Starlett
Type appareil :
récepteur à tubes
Année :
1959
