
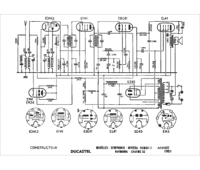
Marque :
Ducastel
Modèle :
Riviéra
Type appareil :
récepteur à tubes
Année :
1951
