
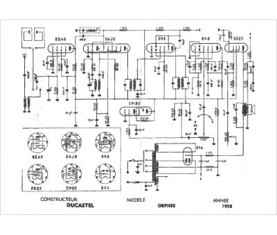
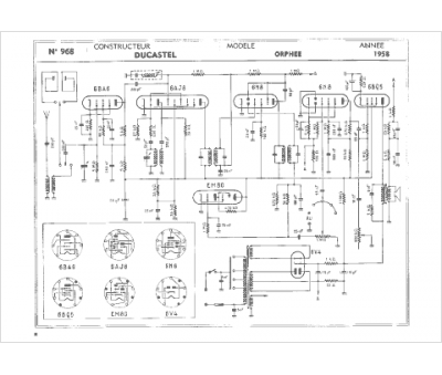
Marque :
Ducastel
Modèle :
Orphée
Type appareil :
récepteur à tubes
Année :
1958
