
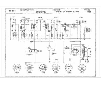
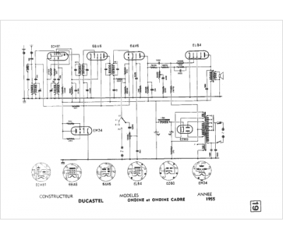
Marque :
Ducastel
Modèle :
Ondine cadre
Type appareil :
récepteur à tubes
Année :
1955
