
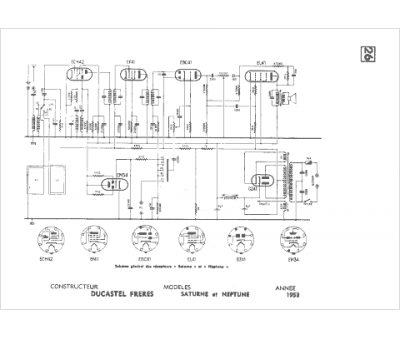
Marque :
Ducastel
Modèle :
Neptune
Type appareil :
récepteur à tubes
Année :
1953
