
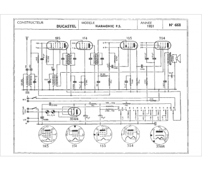
Marque :
Ducastel
Modèle :
Harmonic p.s.
Type appareil :
récepteur à tubes
Année :
1952
