
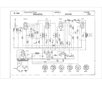
Marque :
Ducastel
Modèle :
Danube
Type appareil :
récepteur à tubes
Année :
1954
