
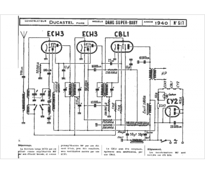
Marque :
Ducastel
Modèle :
DAHG Super-baby
Type appareil :
récepteur à tubes
Année :
1940
