
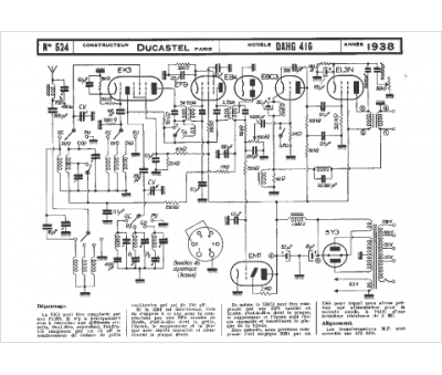
Marque :
Ducastel
Modèle :
DAHG 416
Type appareil :
récepteur à tubes
Année :
1938
