
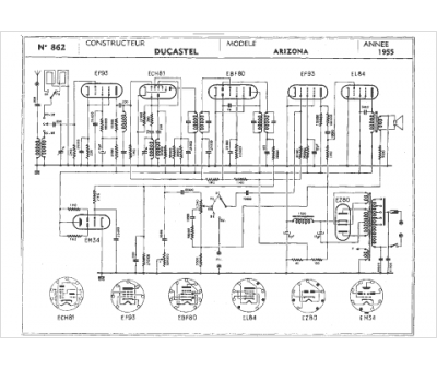
Marque :
Ducastel
Modèle :
Arizona
Type appareil :
récepteur à tubes
Année :
1955
