
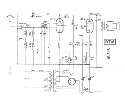
Marque :
DTW
Modèle :
913-W
Type appareil :
récepteur à tubes
Pays d'origine :
Allemagne
